Temperaturabhängige Steuerung von Ventilatoren in 2 Stufen
Permanenter Betrieb eines Ventilators zur Kühlung verschwendet viel Energie. Besser ist eine bedarfsorientierte Steuerung in Abhängigkeit von z.B. der Temperatur.
Viele Motoren verfügen über 2 Stufen. Aber auch einstufige Ventilatoren können mittels der nachfolgenden Schaltung zweistufig gesteuert werden. Hierzu wird in den Steuerausgang L1 (niedrige Stufe) ein Drehzahlregler oder ein Stufentrafo zwischengeschaltet, mit dem die gewünschte niedrige Geschwindigkeit eingestellt wird.
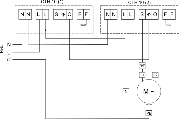
Automatische, temperaturabhängige Aus/Umschaltung von Ventilatoren mittels 2 Thermostaten CHT10 (mit integriertem Fühler) oder CHTf10 (mit Fernfühler):

L1= Spannung für niedrige Stufe
L2 = Spannung für hohe Stufe
Ö = Öffner
S = Schließer
R/T= optionaler Drehzahlregler/Stufentrafo
= zu schaltende Spannung
Funktionsweise:
Beide Thermostate werden permanent mit Dauerspannung versorgt.
CTH 10(1) niedrige Temperatur einstellen (z.B. 20 °C).
Fällt die Temperatur darunter, schaltet das System ab.
Steigt die Temperatur darüber, wird CTH 10 (2) mit Spannung versorgt.
CTH 10(2) Umschalttemperatur von niedriger auf hohe Stufe einstellen (z.B. 27°C).
Je nach Temperatur läuft der Ventilator auf niedriger Stufe (L1) oder auf hoher Stufe (L1).
ACHTUNG: Temperatur bei CTH2 MUSS höher eingestellt sein als bei CTH1!!!
In den Ausgang L1 und/oder L2 können Trafos/Drehzahlregler zur Justierung der jeweiligen Drehzahl zwischengeschaltet werden.
Bedingt durch die hohe Schutzart (IP54) und hohe Schaltleistung (bis 10 A) der Thermostate CTH10 ist der Einsatz ideal für den gewerblichen und industriellen Einsatz in staubiger und nasser Umgebung geeignet. Zur temperaturabhängigen Steuerung von Ventilatoren in Stufen kann alternativ eine stufenlose, temperaturabhängige Steuerung realisiert werden.
Weitere relevate Themen:
» Korrekte Luftführung zum Kühlen von Kompressoren
» Berechnung der Luftmenge für Kompressorkühlung
» Temperaturabhängige, stufenlose Regelung von Ventilatoren